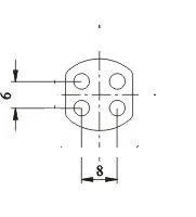
Sockel G10Q – 34 ABS
Sockel G10Q - 34 ABS werden bevorzugterweise eingesetzt weil diese mehr die Normen berücksichigt als herkömmliche Sockel. Grund dafür ist dass diese Befestigungslöcher haben sodass man den Sockel an den Lampenhalter befestigen kann. Sockel G10Q ABS 34 sind besonders bei T5 Lampen eingesezt aber nich nur! Dies ist besonders gefährlich weil es zu verwechselungen kommen kann()
Wir haben Sockel für T5 Lampen laut Form & Mass herstellen lassen, darunter auch 2 modelle aus Keramik.
Wir empfehlen immer die Lampe gut mit dem Sockel zu verbinden. Bei lockeren Verbindung kann es zu Fehlkantakt kommen, was am ende zur beschädigung und ausfall führen wird








Reviews
There are no reviews yet.